English
简体中文
繁體中文
首頁
關於我們
公司簡介
市場分佈
發展歷史
三星代理證
國巨代理證
華晶代理證
WALSIN 代理證
君耀代理證
PANJIT代理證
美麗微代理證
達方代理證
KOME證書
產品展示
YAGEO
SAMSUNG
KOME
WALSIN
TDK
Murata
BRIGHTKING
CHILISIN
PANJIT
KOME Manufacture
客戶服務
詢價
產品目錄
聯繫我們
聯系我們
信息反饋
在線服務
產品展示
YAGEO
Yageo Summary
SAMSUNG
Samsung Summary
KOME
SUMMARY
MLCC
MULTILAYER CHIP CERAMIC CAPACITOR
RADIAL LEADS MLCC
AXIAL LEADS MLCC
AEC---Automotive Chip Ceramic Capacitor
CHIP RESISTORS
Thick Film General Purpose
Thin Film Chip Resistor
HP---Automotive Thick Film Power Chip Resistors
CQ---Automotive Thick Film Chip Resistors
TRL ---Low-Resistance Metal Film Chip Resistors
KPOHS SERIES MOLDING POWER CHIP INDUCTOR
KPNLS SERIES CHIP POWER INDUCTOR
KHBLS SERIES MULTILAYER CHIP INDUCTOR
KHBWS SERIES WIRE WOUND CERAMIC CHIP
Multilayer Chip Inductors
THROUGH HOLE RESISTORS
CARBON FILM RESISTOR
SQP CEMENT RESISTORS
SQM CEMENT RESISTORS
FUSIBLE RESISTOR
WIRE WOUND RESISTORS
KMF—MATEL FILM RESISTOR
METAL OXIDE FILM RESISTOR
CHIP BEAD
KEBMS SERIES MULTILAYER CHIP POWER BEAD
KACMS SERIES MULTILAYER CHIP POWER BEAD
KBCMS SERIES MULTILAYER CHIP POWER BEAD
KBCAS SERIES MULTILAYER CHIP HIGH FREQUENCY BEAD
MULTILAYER CHIP POWER INDUCTOR
KEBLS MULTILAYER CHIP POWER INDUCTOR
KHBLS MULTILAYER CHIP POWER INDUCTOR
KPCLS MULTILAYER CHIP POWER INDUCTOR
KECMS MULTILAYER CHIP POWER INDUCTOR
KAHBLS SERIES MULTILAYER CHIP HIGH FREQUENCY BEAD
CHIP POWER INDUCTOR
KPNLS CHIP POWER INDUCTOR
KCD CHIP POWER INDUCTOR
KCRH CHIP POWER INDUCTOR
KPOHS CHIP POWER INDUCTOR
CHIP TANTALUM SOLID ELECTROLYTE CAPACITORS
CA45
CA45L
CA42
SMD ALUMINUM ELECTROLYTIC CAPACITORS
KVT SERIES
KLZ SERIES
KFZ SERIES
KXS SERIES
KAJK SERIES
KKL SERIES
KVD SERIES
ALUMINUM ELECTROLYTIC CAPACITORS
E2
H6
CD293
CD110
CD294
CD288
CD26L
CD266
E CAP SGS
DIODE
Zener Diode
Switching Diode
Schottky Diode
Rectifier Diode
Fast Recovery Diode
TVS Diode
TRANSISTOR
Transistor
LED
SMD KSB0402 Series
SMD KSB260 Series
SMD KSB190 Series
SMD KSB170 Series
LAMP KSB10 Series
LAMP KSB14 Series
LAMP KSB18 Series
LAMP KSB119 Series
LAMP KSB30N Series
LAMP SB35 Series
WALSIN
Walsin Summary
TDK
TDK Summary
Murata
MURATA Summary
BRIGHTKING
BRIGHTKING Summary
CHILISIN
CHILISIN Summary
PANJIT
PANJIT Summary
KOME Manufacture
PD CHARGER
MAGSAFE
POWER BANK
DOCK
EAR PHONE
CABLE
MULTI PORT
首頁
>
產品展示
>
THROUGH HOLE RESISTORS
>
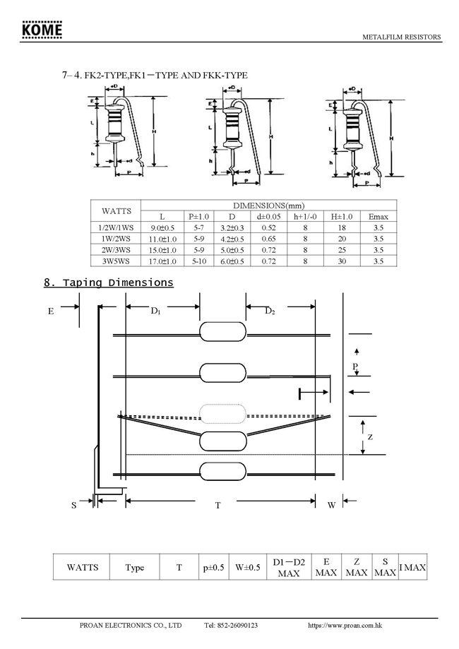
KMF—MATEL FILM RESISTOR
KMF—MATEL FILM RESISTOR
READ MORE DOWNLOAD
Copyright:©2005-2011 PRO-AN All Rights Reserved.